2001 yılında kurulan EVE Energy, 2009 yılında Shenzhen GEM’de halka arz edilmiştir. 20 yılı aşkın tecrübesiyle, yüksek kaliteli lityum pil çözümleri sunan küresel ölçekte rekabetçi bir enerji şirketidir.
Başta enerji depolama sistemleri, elektrikli araçlar, akıllı sayaçlar ve tüketici elektroniği olmak üzere çeşitli sektörlere yönelik lityum pil çözümleri sunan EVE Energy, alanında öncü konumdadır.
ER26500+SPC1550 8500mAh Nedir?
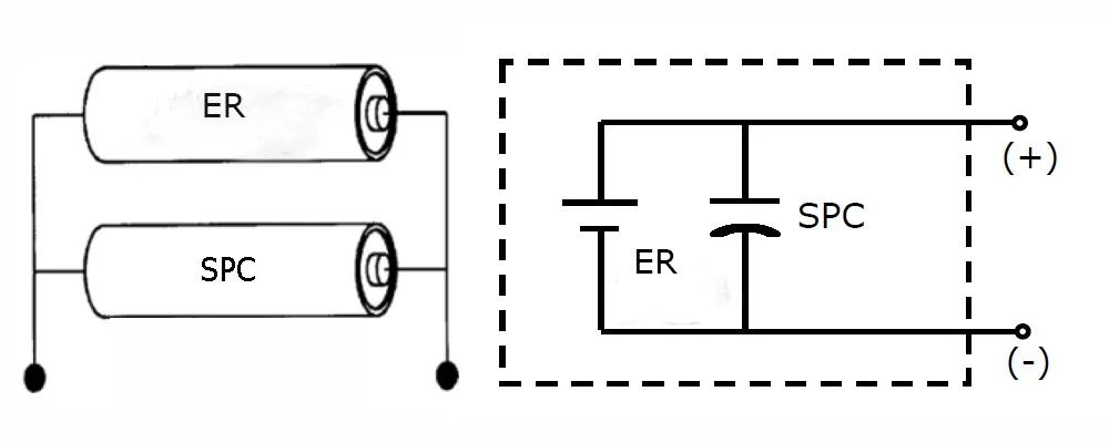
Eve markalı ER26500+SPC1550 ürünümüz bir adet süper pulse kapasitör ve lityum tiyonil klorür (Li-SOCL2) pilden oluşur. Bu piller sahada gerekli kapasiteyi sağlayabilmesi için, iki hücre birbirine paralel bağlanarak sahada birlikte kullanılır. Elbette, SPC’nin arkasındaki ER hücrelerinin sayısını değiştirerek veya hatta aynı anda daha fazla SPC cihazı kullanarak farklı kombinasyonlar sağlanabilir. Lityum primer pil olan ER, yeterli kapasiteyi depolar ve SPC’yi şarjlı tutarken, SPC cihazı darbe şarjını sisteme hızlı şekilde pompalayabilir. Bu kombine ürün, hem yüksek enerji yoğunluğu (büyük kapasite) hem de yüksek güç yoğunluğu (yüksek anlık akım) gereksinimleri için başarılı bir şekilde çözüm sunar. EVE ER pillerini süper kapasitörlerle birleştirir, lityum tabanlı SPC sistemleri aşağıdaki avantajları sunar:
- Daha yüksek hücre voltajı
- Çok daha küçük empedans
- Daha yüksek kapasite
- Çok daha yüksek enerji yoğunluğu
- Sıcaklıktan neredeyse bağımsız olan çok daha az kaçak akım, ER pil ömründen tasarruf sağlar.
- Çok daha geniş çalışma sıcaklığı aralığı
- Çok daha uzun hizmet ömrü
- Çok daha güvenli pil paketi
ER+SPC Paralel Bağlanma Şekli:

Eve ER26500+SPC1550 Özellikleri
Nominal Kapasite: 8500mAh
Nominal Voltaj: 3.6v
Maksimum Darbe Akımı: 3000mA
Hücre Boyutu: C + AA
Sıcaklık Aralığı: -40˚C – 85˚C
Ağırlık: 72g
Eve ER26500+SPC1550 Uygulama Alanları Nelerdir
Bu piller, elektrikli cihazlar için güç ve elektrik, su, ısı ve gaz sayaçları gibi uzun süreli uygulamalar için ve özellikle bellek IC’leri için yedek güç kaynağı vb. alanlarda kullanılır.
Detayları datasheet dosya bilgilerine ürün niteliklerinden ulaşabilirsiniz. Diğer ER+SPC Çözümleri çeşitlerimize göz atabilirsiniz. Ürünlerimiz hakkında daha detaylı ürün ve fiyat bilgisi almak istiyorsanız iletişim adresimizden WhatsApp, E-mail Veya Telefon numaramız üzerinden bizlere kolaylıkla ulaşabilirsiniz.
| part-no |
ER26500 + SPC1550 |
|---|---|
| uretici |
EVE ENERGY |
| hucre-boyutu |
C + AA |
| gerilim |
3,6V |
| nom-kapasite-mah |
8500mAh |
| max-darbe-akimi |
3000 |
| maksimum-olculer-mm |
55,0 x 44,0 x 28,0 |
| sicaklik-⁰c |
-40 …. +85 |
| AĞIRLIK |
72g |
KARGO
Siparişleriniz, darbelere ve dış etkenlere karşı koruma sağlayan kaliteli ambalaj malzemeleriyle özenle paketlenir. Tüm kargolama süreçleri, ürün bütünlüğünü ve müşteri memnuniyetini esas alacak şekilde yürütülür.
TESLİMAT
- Siparişleriniz, 1-3 iş günü içinde kargoya verilir.
- Teslimatlar anlaşmalı kargo firmalarıyla yapılır.
- Kargo takip bilgileri sistemimize eklendikten sonra tarafınıza iletilir.
Teslimat süreci boyunca ürün güvenliği ve zamanında teslimat önceliğimizdir. Tüm gönderimlerimiz, müşterilerimizin adresine eksiksiz ve zamanında ulaşacak şekilde dikkatle takip edilmektedir.

Değerlendirmeler
Henüz değerlendirme yapılmadı.