Fanso ER14250H 3.6V 1200mAh 1/2 AA Size Sayaç Pili
Fanso Battery, 30 yılı aşkın deneyimi ve alanında uzman teknik kadrosu ile Çin’in önde gelen birincil lityum pil üreticilerinden biridir.
Fanso Pilleri; başta petrol arama, elektronik basınç göstergeleri, akış ölçerler, TPMS, akıllı sayaçlar, RFID sistemleri, RAM ve CMOS devreleri, jeotermal ısı dedektörleri, sualtı mühimmatları, sonar, GPS ve çeşitli güç istasyonları olmak üzere birçok endüstriyel ve ticari uygulamada kullanılmaktadır.
Fanso ER14250H 3.6v 1200mAh Nedir ?
Fanso ER14250H, bir primary(şarj edilemeyen) pil modelidir. 1200mAh kapasite ve 3.6v gerilime sahiptir. Uzun ömürlü olan bu pil türü düşük boşaltım hızıyla bilinmektedir. Sahip olduğu yüksek enerji yoğunluğu, pilin endüstriyel uygulama alanlarında kullanımında popüler kılmıştır.
Özellikle güvenlik sistemleri, tıbbi cihazlar ve kablosuz sensörler vb. sektörlerde de karşımıza çıkmaktadır. Sayaç Pili modeli geniş sıcaklık aralığı ile uzun süreli kullanımlar için güvenli bir sebeptir.
Fanso ER14250H 3.6v 1200mAh Sayaç Pili Özellikleri
Nominal Voltaj: 3.6v
Nominal Kapasite: 1200mAh
Önerilen Maksimum Sürekli Akım: 25mA
Maksimum Darbe Kapasitesi: 100mA
Çalışma Sıcaklığı Aralığı: -55°C – +85°C
Fanso ER14250H 3.6v 1200mAh Sayaç Pili Kullanım Alanları Nelerdir
Çeşitli ticari kullanım alanları ve endüstriyel alanlarda kullanılan bu lityum pil genellikle güvenlik sistemleri, sayaçlar, tıbbi cihazlar, akıllı ölçüm cihazları, kablosuz sensörler ve kablosuz iletişime cihazları gibi uygulamalarda sıklıkla kullanılmaktadır.
Yüksek enerji yoğunluğu ve sahip olduğu uzun ömür sayesinde düşük güç tüketimi kullanan cihazlarda için güvenilir bir enerji kaynağıdır. Akabinde geniş sıcaklık aralığı ile çeşitli ortam ve koşullarda kullanılabilmesi pilin kullanım alanını çeşitlendirir.

Fanso ER14250H 1/2 AA Size Sayaç Pili Test Raporu
Aşağıda verilen test raporlarına göre ER14250H Sayaç pilinin belirli koşullarda sağlamış olduğu performansı görüntülemektedir.
Akım Ve Sıcaklığa Karşı Voltaj Platosu(Sol) / Akım Ve Sıcaklığa Karşı Kapasite Değeri(Sağ)

Detayları datasheet dosya bilgilerine ürün niteliklerinden ulaşabilirsiniz. Diğer ER (Li-SOCl₂) Piller çeşitlerimize göz atabilirsiniz.
Ürünlerimiz hakkında daha detaylı ürün ve fiyat bilgisi almak istiyorsanız iletişim adresimizden WhatsApp, E-mail Veya Telefon numaramız üzerinden bizlere kolaylıkla ulaşabilirsiniz.
| part-no | ER14250H |
|---|---|
| uretici | FANSO |
| hucre-boyutu | 1/2AA |
| gerilim | 3,6V |
| nom-kapasite-mah | 1200mAh |
| max-surekli-akim-ma | 20mA |
| sicaklik-⁰c | -55 ….+85 |
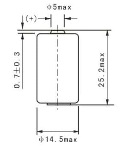
| maksimum-olculer-mm | 14,5 x 25,4 |
KARGO
Siparişleriniz, darbelere ve dış etkenlere karşı koruma sağlayan kaliteli ambalaj malzemeleriyle özenle paketlenir. Tüm kargolama süreçleri, ürün bütünlüğünü ve müşteri memnuniyetini esas alacak şekilde yürütülür.
TESLİMAT
- Siparişleriniz, 1-3 iş günü içinde kargoya verilir.
- Teslimatlar anlaşmalı kargo firmalarıyla yapılır.
- Kargo takip bilgileri sistemimize eklendikten sonra tarafınıza iletilir.
Teslimat süreci boyunca ürün güvenliği ve zamanında teslimat önceliğimizdir. Tüm gönderimlerimiz, müşterilerimizin adresine eksiksiz ve zamanında ulaşacak şekilde dikkatle takip edilmektedir.

Değerlendirmeler
Henüz değerlendirme yapılmadı.